工程投标 · 全国招商教学家具品牌厂家

全国服务热线151-0804-1137
轮播图最新

香港六宝典最新版开奖 | 中小学教室课桌椅配置卫生要求

来源: | 发布日期:2022-08-09
科学合理配置课桌椅的重要意义
 培养学生良好坐姿的重要环境因素

与脊柱弯曲异常及近视眼的发生有一定关系

是影响学习作业能力及身体功能状态的重要因素


课桌椅基本要求
 满足写字、看书和听课等教育需要 
 适合就座儿童的身材、可提供良好坐姿,减少疲劳发生,不妨碍正常生长发育,保护视力 
 坚固、安全、美观,不妨碍教室的卫生清扫


良好的坐姿是怎样的?

脊柱正直,写字时头部不过分前倾,不耸肩、不歪头

  两肩间的连线与桌缘平行,前胸不受压迫,大腿水平,两足着地(或踏板),保持一个均衡稳定而又不易产生疲劳的体位

微信图片_20220809141626

前位坐姿(上体重心落在坐骨结节之上或其前方):写字 

后位坐姿(上体重心落在坐骨结节之后):休息、听课和看书


课桌椅标准

课桌椅设计除考虑实用、经济、美观等要求外,必须应用人类工程学原理,使其设计尺寸符合青少年人体尺度和人体动作尺度,做到使用时保证人体有一个健康良好的坐姿,从而有利于提高学习效率,减少疲劳和不舒适感,保证青少年学生身心的健康成长。

00000000


现行课桌椅标准《学校课桌椅功能尺寸及技术要求》 (GB/T3976-2014)(替代原GB/T3976-2002)

课桌型号


001


002

现行标准GB/T3976-2014与老标准GB/T3976-2002的区别

a. 增加了0号课桌椅及其尺寸要求

b. 取消“双人桌椅”要求

c. 在有条件的地方,0号、1号、2号、3号桌宽可650 mm,桌深可450 mm


关于桌下净空和构件

003


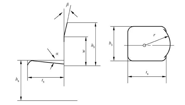
桌下净空偏小,将限制学生下肢的活动,对其生长发育造成不利影响。《标准》中课斗的高度要求为不大于12~13cm。(0至3号为13cm,4~10号为12cm),桌侧方设挂钩时,钩端不超出桌侧缘之外。

课椅尺寸

004

005


现行标准GB/T3976-2014与老标准GB/T3976-2002的区别

a. 增加了0号课桌椅及其尺寸

b. 删除了“靠背下缘距座面高的值” 


课桌椅型号


006

共计11种型号,身高相差7.5cm设一种型号

相邻两个型号适用的身高范围交错重叠

同号课桌与课椅相匹配,课桌椅高度应与就座学生身高相符合

 课桌椅出厂前,必须附着永久性标牌,并标明大小型号和学生身高范围

007

其他技术标准

《课桌椅》(QB/T 4071-2010 ):规定了课桌椅材料、工艺、漆膜理化性能、力学性能及试验方法等
《室内装饰装修材料木家具中有害物质限量》(GB 18584-2001):规定了人造板材、钢木课桌椅的甲醛释放量、可溶性重金属含量的要求和试验方法等


课桌椅日常管理
个教室可配置2种以上不同型号的课桌椅,或配备可调式课桌椅;中小学课桌椅分配符合率达到80%以上
“就大不就小”:当一名学生有两个适用课桌椅型号时,优先选择尺寸较大的型号,为身高的增长留有余地
学校置课桌椅时,要根据学生学期中乃至末期的身高组成比例状况,确定各种大小型号的数量
对于身高、坐高、体重等体征明显超常的学生,可定制特殊型号的课桌椅,以满足个性需求
课桌与课椅同号搭配,不得混用。个别情况下,相邻两个型号大桌与小椅相匹配

课桌椅布局:课桌椅在教室里的排列,最前排边座学生与黑板远端的最小水平视角为30°。 


课桌椅在教室里的排列,最前排边座学生与黑板远端的最小水平视角为30°。 

最前排课桌的前沿与教学黑板的最小水平距离宜为2.50米;最后一排课桌的后沿与黑板的最大水平距离,小学宜不小于8.00米,中学宜不小于9.00米。 

教室后应设置不小于0.60米的横向走道,纵向走道宽度应不小于0.60米。

008



课桌椅分配符合率:


在抽样教室中,测量教室内所有在座学生身高及相应课桌椅高度,按照GB/T3976-2014规定的课桌椅各型号的身高范围进行评价,被测量课桌椅号数在使用者身高范围内,则分配符合。

计算公式为:009

式中:M为课桌或课椅分配符合率;c为课桌与课椅号与就坐学生身高相符合的人数;b为被测学生数。


来源:上海教育技术装备


本文标签 校用家具-课桌椅

责任编辑--香港六宝典最新版开奖 编辑--小凯

版权所有/(香港六宝典最新版开奖学生公寓床厂家)转载请注明出处

最新资讯