工程投标 · 全国招商教学家具品牌厂家

全国服务热线151-0804-1137
轮播图最新

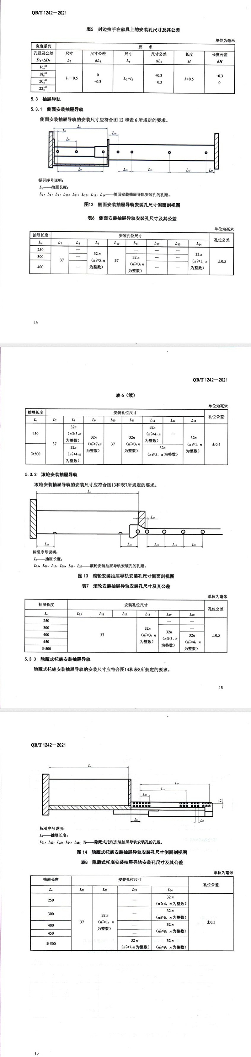
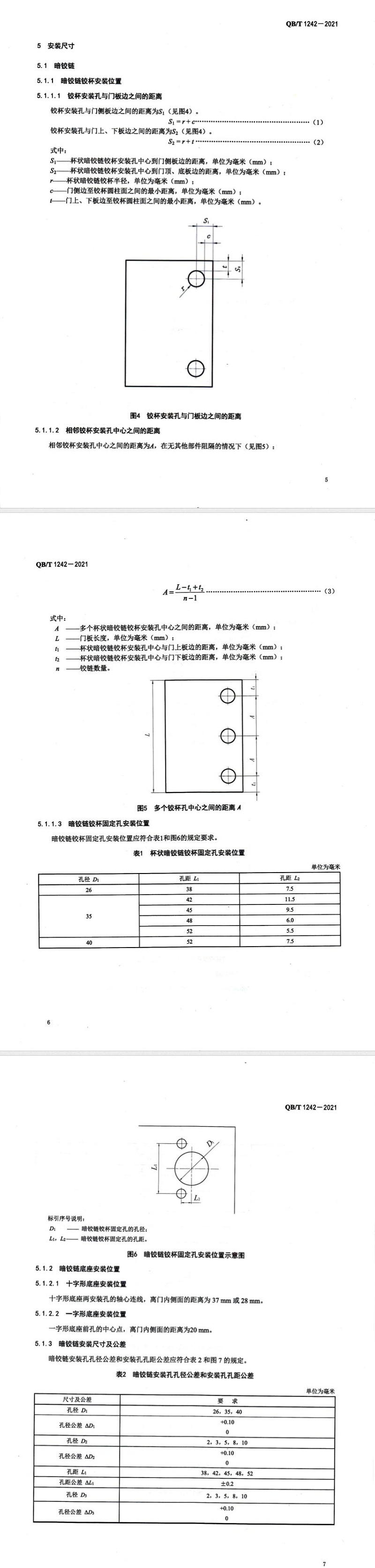
《 家具五金件安装尺寸》( QB/T 1242-2021)

来源: | 发布日期:2022-07-23

21

22

23

24

25

26

27

来源:中华人民共和国工业和信息化部、全国标准信息公共服务平台

本文标签 家具-家具五金件

责任编辑--香港六宝典最新版开奖 编辑--小凯

版权所有/(香港六宝典最新版开奖学生公寓床厂家)转载请注明出处

最新资讯