工程投标 · 全国招商教学家具品牌厂家

全国服务热线151-0804-1137
轮播图最新

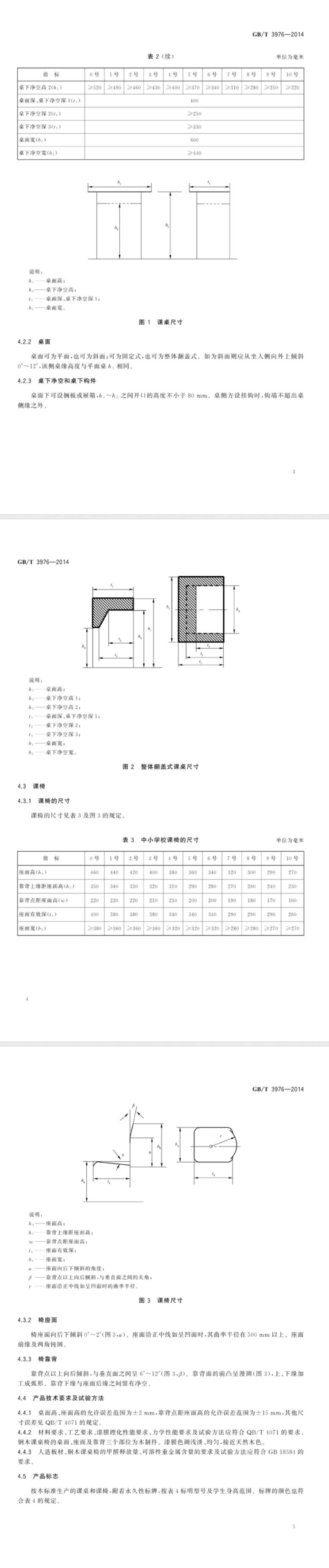
《学校课桌椅功能尺寸及技术要求》(GB/T3976-2014)

来源: | 发布日期:2022-07-26

31

32

33

34

35

36

来源:中华人民共和国国家质量监督检验检疫总局、中国国家标准化管理委员会

本文标签 校用家具-课桌椅

责任编辑--香港六宝典最新版开奖 编辑--小凯

版权所有/(香港六宝典最新版开奖学生公寓床厂家)转载请注明出处

最新资讯